Why R&D in Catalysis is Important?

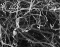
SEM image of CNT (Nanoscale, 2, 1171–1177, 2010)

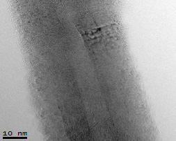
TEM image of CNT (Tas, S. et al., Fullerenes Nanotubes Carbon Nanostruct., 21:4, 311–325, 2013)

SEM image of BNNT (Ind. Eng. Chem. Res., 51, 11341−11347, 2012)

TEM image of BNNT (Tas, S. et al., Fullerenes Nanotubes Carbon Nanostruct., 21:4, 311–325, 2013)
27% of GNP and 90% of chemical industry involve products made using catalysts (food, fuels, polymers, textiles, pharma/agrochemicals, etc.)
Catalysis is a surface phenomenon; in which solid state and surface structures play important roles.
Catalysts are used for discovery/use of alternate sources of energy/fuels/raw material for chemical industry and preparation of new materials (i.e., organic & inorganic — e.g. carbon nanotubes).

SEM image of MCM-41 (Dundar-Tekkaya, E. & Yurum, Y., 13th International Conference on Clean Energy, June 8–12, 2014)
The discovery of carbon nanotubes and nanofibers, and the observation of their novel properties sparked a host of applications and an interest to better control their synthesis. Using a chemical vapor deposition (CVD) apparatus, members of the Chemistry Group are investigating the effect of metals upon the growth of carbon nanofibers and nanotubes (CNFs & CNTs). With their diverse electronic properties, the Cr, Mn, Co, Fe, Ni & Zn catalysts appear to influence the microstructure, surface properties, and stability of these nanofibers.
MCM-41/Zeolite, which is from the family of mesoporous materials, with its porous structure, large surface area, high adsorption capacity, and thermal stability, is utilized in various areas. They are also commonly used as support for especially metal oxide catalysts.
Boron Nitride Nanotubes (BNNTs) are structurally similar to CNTs. Materials within the B-C-N triangular zone offer new vistas for materials research. The ability to control bond hybridization, molecular packing, and composition of these materials is important to create new materials. They could be useful for protective coatings, high-power electronics, hydrogen storage, and nanoscale devices.
Our group demonstrated the synthesis of crystalline BNNTs with supported catalysts (Fe catalyst supported on MCM-41) at relatively low temperature. The functions of temperature and catalyst type on the formation of BNNTs were explored at Sabancı University.